







YVF2 Series Three-Phase Frequency Controlled Asynchronous Motor
Frame sizes: 80-355
Rated power: 0.55KW-315KW; 0.75HP-420HP
Rated voltage: 380V or any voltage between 220-760V
Frequency: 5-120Hz
Introduction: WhatsApp
YVF2 series variable frequency adjustable-speed converter-fed three phase induction motor is a kind of special motor which driven by frequency converter, rotating speed of the YVF2 series motors can be regulated steplessly by frequency converter, thus enable energy saving and automatic control of the motors.
YVF2 series motors are fitted with ventilation fan which provide better cooling effect to ensure motors running at various speed YVF2 series motors are suitable for transmissions by which speed一regulation is needed, are widely used in light industries, metallurgy industries, textile industries, chemical industries, machine tool industries etc. while fitted with highly accurate sensor, the motors can achieve highly accurate operation of closed loop.
YVF2 series variable frequency speed regulation three-phase asynchronous motor has a wide speed regulation range. It is used in conjunction with the frequency conversion speed regulation device to form an AC frequency conversion stepless speed regulation system. Constant torque frequency conversion operation in the range of 5-50Hz, constant power frequency conversion operation in the range of 50-100Hz, stable operation, no torque pulsation, large starting torque and small starting current. To be convenient for users, dimensions and rated output of YVF2 series motors are same as those of Y2 series motors, also in conformity with IEC60072一 1:1991. Equipped with an independent cooling fan device, the motor has a better cooling effect at different speeds.
YVF2 Series Three-Phase Frequency Controlled Asynchronous Motor Standard
YVF2 series are designed according to IEC60034-1《Rotating electrical machines—Rating and Performance》.
The motors are also complied with the relevant requirements of the following standards and specifications.
IEC60034 Rotating electrical machines
IEC60068 Environmental testing
IEC60072 Dimensions and output ratings for rotating electrical machines
YVF2 Series Three-Phase Frequency Controlled Asynchronous Motor Advantage
The motor is forced to ventilate by a separate axial fan to ensure that the motor has a good cooling effect when running at different speeds. The motor has reliable insulation and excellent performance. The advanced dielectric decomposition method is adopted to control the quality of main materials such as electromagnetic wire and impregnating varnish, and the dynamic dielectric measurement is adopted in the insulation treatment process to control the baking process of impregnating varnish, which ensures the stable and reliable insulation quality of the motor and has strong adaptability to overvoltage caused by high carrier frequency of frequency converter. At the same time, the computer control interface can be set according to the needs of users, which is helpful to realize the automatic control of speed regulation system. Brakes can also be installed at the non-axial extension end for quick braking, and high-speed variable-frequency motors can also be designed and manufactured.
For powers which line frequency is 50Hz (or 60Hz), its speed-regulating range is often 5Hz-100Hz (or 6Hz-120Hz) (1:20). The motor will output rated torque at 5Hz-50Hz (or 6Hz-60Hz), and it is the constant torque running zone. At 50Hz-100Hz (60Hz-120Hz), the motor will output rated power, and it is the constant power running zone.
YVF2 Series Three-Phase Frequency Controlled Asynchronous Motor Application
YVF2 (BPY) series three phase AC frequency conversion &speed-regulating asynchronous motor can be widely used in the constant torque (5-50Hz) and constant power (50-100Hz) speed-regulating of machine tools, textile, chemical, metallurgy, industrial washing machine industries as well as the energy saving and speed-regulating of fan and water pump. It can meet the requirements of the drive field in paper making, plastic, packing, lift, crane and other special industries.
YVF2 Series Three-Phase Frequency Controlled Asynchronous Motor Conditions of Use:
Base center height: 80-355mm
Power range: 0.55-315kW
Rated voltage: 380V (other voltages need to be agreed separately)
Rated frequency:5-100Hz
Protection level: IP54 (or IP55)
Insulation class: Class F
Working system: S1
Operating ambient temperature:-15~+40℃
Altitude:not more than 1000m(over 1000m need customization)
Type of cooling: IC416
Connecting method : Y connection ≦Power 3kW , △ connection ≧ Power 4KW
Technical Data: WhatsApp
| Norminal Power (KW) |
2 Poles | 4 Poles | 6 Poles | 8 Poles | 10 Poles | ||||||||||
| Model No (H) |
Rated Current (A ) | Rated Torque (N.m) |
Model No (H) |
Rated Current (A ) | Rated Torque (N.m) |
Model No (H) |
Rated Current (A ) | Rated Torque (N.m) |
Model No (H) |
Rated Current (A ) | Rated Torque (N.m) |
Model No (H) |
Rated Current (A ) | Rated Torque (N.m) |
|
| 0.55KW | 80M1 | 1.6 | 3.5 | ||||||||||||
| 0.75KW | 80M1 | 1.9 | 2.4 | 80M2 | 2.1 | 4.7 | 90S | 2.3 | 7.1 | ||||||
| 1.1KW | 80M2 | 2.6 | 3.5 | 90S | 2.7 | 7.0 | 90L | 3.2 | 10.5 | ||||||
| 1.5KW | 90S | .34 | 4.7 | 90L | 3.7 | 9.5 | 100L | 4 | 14.3 | ||||||
| 2.2KW | 90L | 4.7 | 7 | 100L1 | 5.0 | 14.0 | 112M | 5.6 | 21.0 | 132S | 5.8 | 28.0 | |||
| 3KW | 100L | 6.4 | 9.5 | 100L2 | 6.8 | 19.1 | 132S | 7.2 | 28.6 | 132M | 7.7 | 38.2 | |||
| 4KW | 112M | 8.2 | 12.7 | 112M | 8.8 | 25.4 | 132M1 | 9.4 | 38.2 | 160M1 | 9.9 | 50.9 | |||
| 5.5KW | 132S1 | 11.1 | 17.5 | 132S | 11.6 | 35 | 132M2 | 12.6 | 52.5 | 160M2 | 13.3 | 70.0 | |||
| 7.5KW | 132S2 | 15 | 23.8 | 132M | 15.4 | 47.7 | 160M | 17 | 71.6 | 160L | 17.7 | 95.5 | |||
| 11KW | 160M1 | 21.8 | 35 | 160M | 22.6 | 70.0 | 160L | 24.6 | 105.0 | 180L | 25.1 | 140.1 | |||
| 15KW | 160M2 | 29.4 | 47.7 | 160L | 30.3 | 95.5 | 180L | 31.4 | 143.3 | 200L | 34.1 | 191.1 | |||
| 18.5KW | 160L | 35.5 | 58.9 | 180M | 35.9 | 117.8 | 200L1 | 38.1 | 176.7 | 225S | 41.3 | 235.6 | |||
| 22KW | 180L | 42.5 | 140.1 | 200L2 | 44.7 | 210.0 | 225M | 47.6 | 280.1 | ||||||
| 30KW | 200L | 56.8 | 190.9 | 225M | 58 | 286.0 | 250M | 63 | 382.0 | ||||||
| 37KW | 225S | 70.4 | 235.5 | 250M | 72 | 353.0 | 280S | 77.2 | 471.1 | ||||||
| 45KW | 225M | 84.2 | 256.4 | 280S | 85.9 | 429.0 | 280M | 94.1 | 573.0 | 315S | 99.1 | 716.3 | |||
| 55KW | 250M | 102.5 | 350.1 | 280M | 104.7 | 525.0 | 315S | 111.2 | 700.3 | 315M | 121.1 | 875.4 | |||
| 75KW | 280S | 139.6 | 477.4 | 315S | 141.7 | 716.3 | 315M | 151.3 | 955.0 | 315L1 | 162.1 | 1193.8 | |||
| 90KW | 280M | 166.8 | 572.9 | 315M | 169.5 | 859.5 | 315L1 | 177.8 | 1146.0 | 315L2 | 190.9 | 1432.5 | |||
| 110KW | 315S | 198.7 | 700.2 | 315L1 | 206.7 | 1050.5 | 315L2 | 216.8 | 1400.7 | 355M1 | 230 | 1736 | |||
| 132KW | 315M | 237.7 | 840.3 | 315L2 | 244.7 | 1260.6 | 355M1 | 265 | 1680.8 | 355M2 | 275 | 2083 | |||
| 160KW | 315L1 | 284.3 | 1018.5 | 355M1 | 282.3 | 1528 | 355M2 | 313.4 | 2037.3 | 355L | 333 | 2546.5 | |||
| 200KW | 315L2 | 354.6 | 1273.2 | 355M2 | 364.6 | 1910 | 355L | 386.2 | 2546.7 | ||||||
| 250KW | 355M | 441.9 | 1591.7 | 355L | 454.3 | 2387.5 | |||||||||
| 315KW | 355L | 494.9 | 2005.5 | ||||||||||||
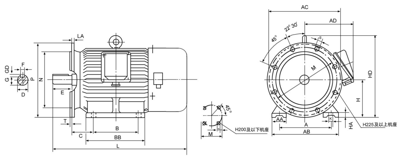
Installation Dimension: WhatsApp
No Footing, end cover with flanges(IMB5, IMV1,IMV3)

With footing, end cover no flanges(IMB3, IMB6, IMB7, IMB8,IMV5,IMV6)

With footing, end cover with flanges(IMB35, IMB6, IMV15,IMV36)

| Model No. | Installation size mm | ||||||||||||||||||
| H | A | B | C | D | E | FXGD | G | K | T | M | N | P | R | S | |||||
| 2Poles | 2 Poles |
4.6.8 Poles |
2 Poles |
4.6.8 10 Poles |
2 Poles |
4.6.8 10 Poles |
|||||||||||||
| 80 | 80 | 125 | 100 | 50 | 19 | 40 | 6×6 | 15.5 | 10 | 3.5 | 165 | 130 | 200 | 4-φ12 | |||||
| 90S | 90 | 140 | 56 | 24 | 50 | 8×7 | 20 | 0 | |||||||||||
| 90L | 125 | ||||||||||||||||||
| 100L | 100 | 160 | 140 | 63 | 28 | 24 | 12 | 4 | 215 | 180 | 250 | 4-φ15 | |||||||
| 112M | 112 | 190 | 70 | 60 | |||||||||||||||
| 132S | 132 | 216 | 89 | 38 | 80 | 10×8 | 33 | 265 | 320 | 300 | |||||||||
| 132M | 178 | ||||||||||||||||||
| 160M | 160 | 254 | 210 | 108 | 42 | 110 | 12×8 | 37 | 15 | 5 | 300 | 250 | 350 | 4-φ19 | |||||
| 160L | 254 | ||||||||||||||||||
| 180M | 180 | 279 | 241 | 121 | 48 | 14×9 | 42.5 | ||||||||||||
| 180L | 279 | ||||||||||||||||||
| 200L | 200 | 318 | 305 | 133 | 55 | 16×10 | 49 | 19 | 350 | 300 | 400 | ||||||||
| 225S | 225 | 356 | 286 | 149 | 110 | 140 | 16×10 | 18×11 | 49 | 53 | 400 | 350 | 450 | 8-φ19 | |||||
| 225M | 311 | 55 | 60 | 53 | |||||||||||||||
| 250M | 250 | 406 | 349 | 168 | 60 | 65 | 140 | 18×11 | 58 | 58 | 24 | 500 | 450 | 550 | |||||
| 280S | 280 | 457 | 368 | 190 | 65 | 75 | 18×11 | 20×14 | 67.5 | ||||||||||
| 280M | 419 | ||||||||||||||||||
| 315S | 315 | 508 | 406 | 216 | 80 | 140 | 170 | 20×14 | 71 | 28 | 6 | 600 | 550 | 660 | 8-φ24 | ||||
| 315M | 457 | ||||||||||||||||||
| 315L | 508 | ||||||||||||||||||
| 355M | 355 | 610 | 560 | 254 | 75 | 95 | 20×12 | 25×14 | 67.5 | 86 | 740 | 680 | 800 | ||||||
| 355L | 630 | ||||||||||||||||||


